マルチシャワーチェア プラス
ソフトで座り心地のよいシート材質のシャワーチェア
使用しない時には取り外せるユニバーサルデザイン

- シートはソフトなポリウレタン仕様。長時間座っても快適で安心です。
- 使用するときだけマルチトラックプラスにセットする、またはセットしたままで折りたたんでおくこともできます。
商品説明
マルチシャワーチェアプラス の特長
- シートはソフトなポリウレタン仕様。長時間座っても快適で安心です。
- 使用するときだけマルチトラックプラスにセットする、またはセットしたままで折りたたんでおくこともできます。

手になじみやすく、滑りにくいグリップ
グリップ部分はガラス繊維強化ナイロンを芯にしたSEBS 製で、手に触れるところは、柔らかく滑りにくい材質。
握りやすく、体重の掛けやすいゆるやかにラウンドした形状が特徴。
お手入れが楽で、いつまでも美しさを保ちます。
- カラーバリエーション
標準カラーはグレー、スペシャルカラーはホワイト、レッド、ライムグリーンの3色。
※ スペシャルカラーは受注発注品で納品まで約2か月掛かります。

グレイ

ホワイト

レッド

ライムグリーン
導入事例
関連記事
関連商品
詳細情報
商品番号・価格
| 商品番号 | 種別 | 価格(税込) | |
|---|---|---|---|
| 5553-10 | 上下横 グレー | ¥825,000 | |
| 5553-12 | 上下横 白 | ||
| 5553-13 | 上下横 赤 | ¥902,000 | |
| 5553-14 | 上下横 ライム | ||
仕様
| 製品タイプ | シャワーチェア(設置型) |
|---|---|
| 主な用途・対象者 | 高齢者など介護を必要とする方のみならず、ホテルやプール、ジムなどパブリックな施設のシャワールームにお勧めです。折りたたみ可能。 |
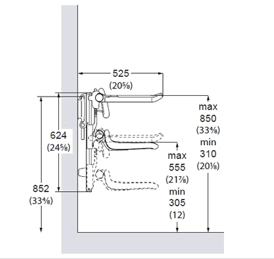
| サイズ | 下の図参照 |
| 重量 | 17.1kg(マルチトラックプラス含まず) |
| 垂直耐荷重 | 100kg |
| 肘掛け耐荷重 | 40kg (片側) |
| 材質 | アルミ合金、樹脂(芯材:合板) |
| 設置 | 別途要工事 |
| 製造者 | プレサリット(PRESSALIT) |

使用時 サイズ 単位mm

上下時の高さ 単位mm

いす収納時 サイズ 単位mm
商品資料
- お薦めのお客様
- リハビリテーション医療, 老人福祉施設, 障害者福祉施設, 高齢者・障害者向け住宅改修, 公共・商業施設, 屋外設備・交通・輸送事業者, 看護
- 利用可能な制度
- 地域医療介護総合確保基金
※「利用可能な制度」は適用候補を示すもので、必ず利用可能なものではありません。適用判断は、保険主体である自治体や団体の判定になります。
各制度の詳細はこちらで確認できます。
お問合せ
商品に関するご不明点・お試し等のご相談は、下よりお気軽にお問合わせください。
営業所一覧でお近くの店舗を検索し、ご連絡することも可能です。専門スタッフがお客様をサポートさせていただきます。








